收藏本站联系我们
浙江学校升降路桩 高中校园道路挡车升降立柱 苏州湾附近用的挡车柱 苏州升降柱案例,浙江防撞柱维修,上海液压挡车柱 苏州升降柱,苏州升降路桩,苏州不锈钢防撞柱 上海升降柱案例:厂区、古镇、学校、步行街等 第一初级中学门口挡车立柱 黎里古镇停车场升降路桩
 
 
服务支持
路桩施工图
售后服务
资料下载
选购指南
维护保养


更多
不锈钢手动升降柱也很好用!
升降路桩的配套使用到底有多牛!…
苏州湾大桥附近用的是哪款升降路…
紧急情况/消防通道升降路桩怎么选…
学校门口防冲撞升降路桩怎么选?…
防冲卡逃费高速公路收费站专用阻…
上海升降柱案例:厂区、古镇、学…
学校选择哪类升降路桩更省心又省…
无需接电也能遥控升降的自动路桩…
搭乘春日专列与樱花浪漫邂逅
上海升降路桩的安装和维护!
汉马防冲撞路桩防护等级达IP69K
防患校园安全,就选汉马勇士。

传真:0512-66654828
邮箱:hanmadg@sina.com
地址:苏州高新区通安镇华金路278号
联系人:潘经理 13606139735
汉马电工在线客服
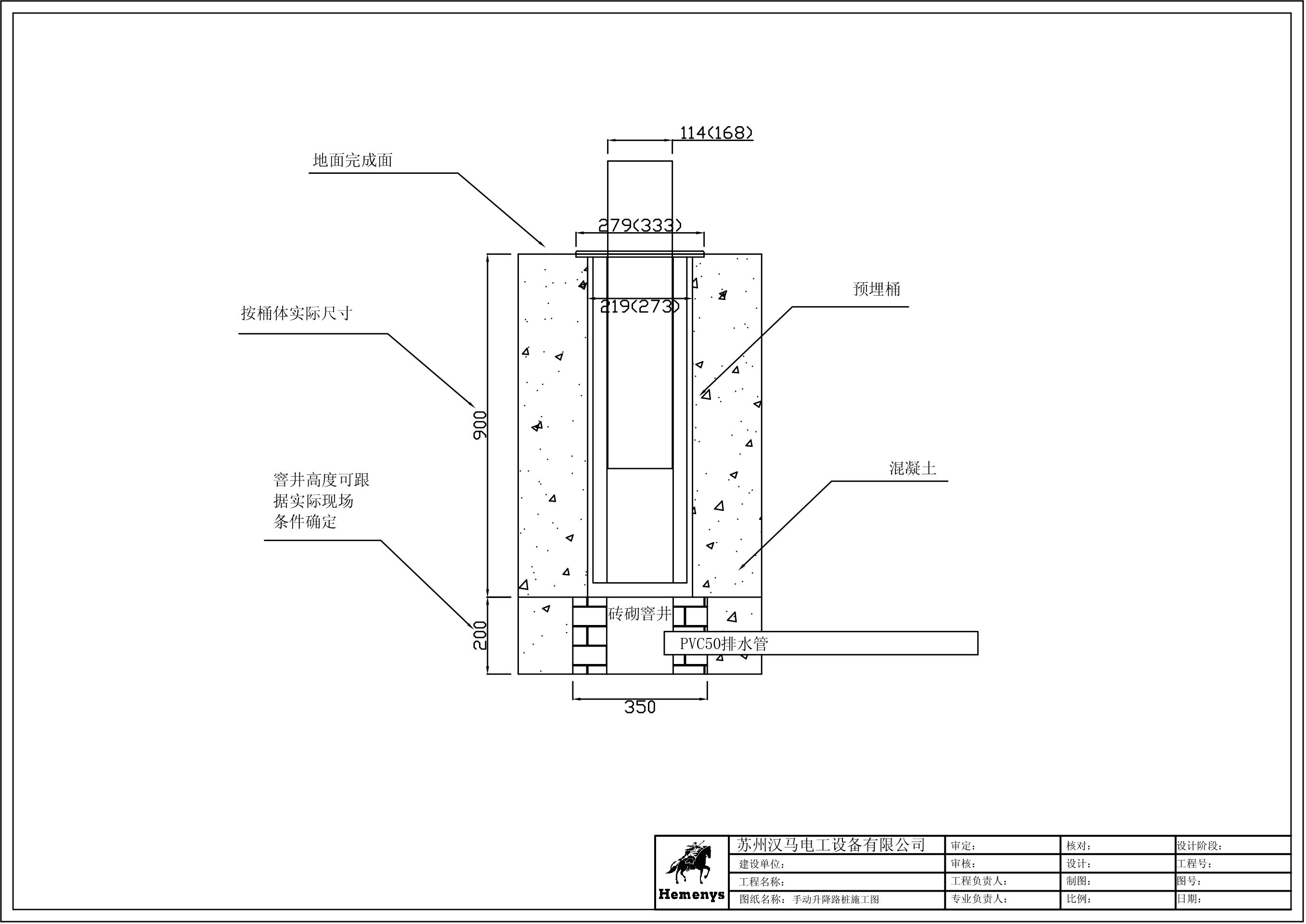
您当前的位置: 首页 > 服务支持 > 路桩施工图 > 手动路桩施工图纸
     
 
手动路桩施工图纸





2014-12-15
 
 
上一条: 半自动路桩施工图
下一条: 没有了
 

友情链接 自动路桩百科 路桩文库 阿里巴巴 淘宝店 官方微博
网站首页 | 关于我们 | 新闻资讯 | 产品展示 | 工程案例 | 服务支持 | 联系我们

版权所有 苏州汉马电工设备有限公司 Copyright © 2010 chinabollards.com, All Rights Reserved. 苏ICP备06035424号-3

建设部自动门车库门标准化技术委员会委员单位

上海升降柱,自动路桩,液压升降柱,全自动路桩,汉马勇士,上海升降路桩安装维修 13606139735